Наличие уточняйте
113 950,00 Р
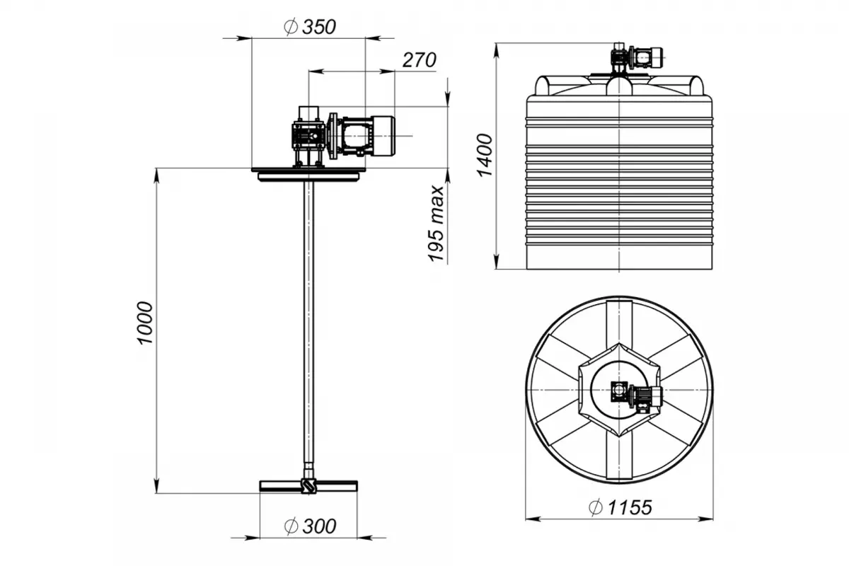
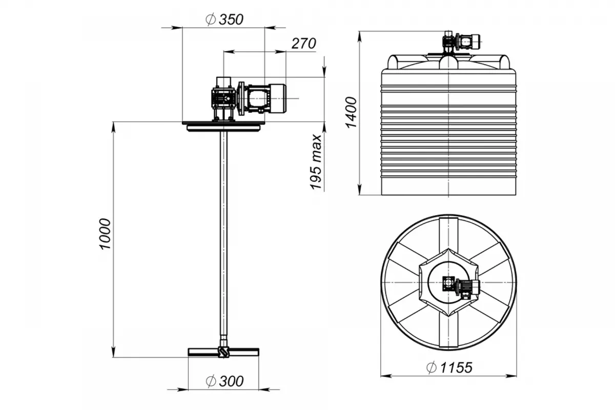
Длина- 1150 мм
Ширина- 1150 мм
Высота- 1220 мм
Вес- 39 кг
Ширина- 1150 мм
Высота- 1220 мм
Вес- 39 кг
Поделиться:
Емкости с лопастными мешалками используются для приготовления и поддержания консистенции различных растворов, создания маловязких эмульсий, растворения или химических реакции в жидкой среде.
Мешалки предназначены для перемешивания жидкости с максимальной плотностью 1,3 г/см, динамической вязкостью жидкой фазы ‐ 1 Ра/сек. Данный тип мешалок тихоходный.
Материал изготовления вала и рабочего колеса - композит (полиэфирная или эпоксидная смола, армированная стекловолокном), что обеспечивает повышенную стойкость к абразиву. Мешалки из композитного материала обладают отличной механической прочностью, устойчивы к химически агрессивными жидкостям .
Гораздо надёжнее и энергоэффективнее металлических аналогов.
Мешалка специально подобрана для емкости ЭВЛ 1000 с учетом габаритов и конструктивных особенностей емкости. Емкость ЭВЛ 1000 литров в обрешетке поставляется с уже установленной на крышку емкости мешалкой. Вам остается только вкрутить мешалку в емкость. Емкость и мешалка транспортируются отдельно друг от друга в целях сохранности. Вам не нужно ломать голову над установкой мешалки. Мы обо всем позаботились!
Как подобрать мешалку
| Мощность двигателя, кВт | Частота вращения вала, об/мин | Длина вала, мм | Диаметр рабочего колеса, мм | Вес, кг |
|---|---|---|---|---|
| 0,25 | 93 | 1000 | 300 | 14,1 |
Технические преимущества тихоходных лопастных мешалок:
- Высокая прочность: Отсутствие сварных швов и футеровки благодаря цельнолитой конструкции из композита.
- Малый вес по сравнению с металлическими аналогами.
- Продолжительный срок службы: Смолы (материал изготовления рабочего колеса и вала) после отверждения, в отличии от термопластичных материалов таких как полипропилен и фторопласт, не подвержены повторному расплавлению, что является гарантией отличной механической прочности, термо- и формоустойчивости.
Особенности установки
Лопастные мешалки необходимо устанавливать по центру емкости для обеспечения равномерного перемешивания раствора. Мешалки весом до 25 кг устанавливаются непосредственно на крышку емкости. Крышка также выполнена из композитного материала.
Для лопастных мешалок возможны дополнительные опции:
- Установка частотного преобразователя - для регулировки скорости перемешивания;
- Установка более мощного двигателя - при плотности жидкости более 1,3 г/м3 и/или вязкости жидкой фазы более 1 Ра/сек.
Сферы применения емкостей с мешалками:
- в химической промышленности для приготовления и поддержания консистенции различных агрессивных растворов;
- в водоподготовке и водоочистке для приготовления растворов коагулянтов и флокулянтов;
- при обработке питьевой воды для стерилизации, фильтрации, контроля запаха и привкуса;
- в системах водоснабжения и канализации для приготовления рабочих растворов и реагентов с целью обработки сточных вод;
- в составе реагентных блоков периодического действия для приготовления и дозирования растворов реагентов на очистных сооружениях предприятий пищевой промышленности, нефтеперерабатывающей отрасли и прочих производственных стоков;
- при производстве цемента: мешалки устанавливают на бетоносмесительном узле для приготовления гомогенной смеси и ее добавки в бетон;
- при производстве бумаги для приготовления диоксида титана с целью контроля матовости тонкой бумаги, приготовления каолиновой смеси.
Единица измерения:
шт
Здесь еще никто не оставлял отзывы. Вы можете быть первым
Емкость ЭВЛ 1000л с лопастной мешалкой из категории Пластиковые емкости с мешалками в Рязани.
Адрес пункта выдачи ТК СДЕК Рязань, Первомайский проспект, 7
Задать вопрос - "Контакты"
Рекомендуем посмотреть
Наличие уточняйте
Объем- 5000 л
Длина- 2000 мм
Ширина- 2000 мм
Высота- 1881 мм
Вес- 158 кг
Длина- 2000 мм
Ширина- 2000 мм
Высота- 1881 мм
Вес- 158 кг
213 000,00 Р
Наличие уточняйте
Длина- 2012 мм
Ширина- 2012 мм
Высота- 2650 мм
Вес- 267 кг
Ширина- 2012 мм
Высота- 2650 мм
Вес- 267 кг
291 000,00 Р
Наличие уточняйте
Длина- 2012 мм
Ширина- 2012 мм
Высота- 3400 мм
Вес- 332 кг
Ширина- 2012 мм
Высота- 3400 мм
Вес- 332 кг
341 000,00 Р
Наличие уточняйте
Длина- 650 мм
Ширина- 650 мм
Высота- 1755 мм
Вес- 43 кг
Ширина- 650 мм
Высота- 1755 мм
Вес- 43 кг
110 000,00 Р
Наличие уточняйте
Объем- 5000 л
Длина- 2000 мм
Ширина- 2000 мм
Высота- 1881 мм
Вес- 136 кг
Длина- 2000 мм
Ширина- 2000 мм
Высота- 1881 мм
Вес- 136 кг
193 800,00 Р
Наличие уточняйте
Длина- 755 мм
Ширина- 755 мм
Высота- 1295 мм
Вес- 28 кг
Ширина- 755 мм
Высота- 1295 мм
Вес- 28 кг
97 000,00 Р
Наличие уточняйте
Длина- 1500 мм
Ширина- 1500 мм
Высота- 1345 мм
Вес- 60 кг
Ширина- 1500 мм
Высота- 1345 мм
Вес- 60 кг
132 800,00 Р
Наличие уточняйте
Длина- 2012 мм
Ширина- 2012 мм
Высота- 2650 мм
Вес- 263 кг
Ширина- 2012 мм
Высота- 2650 мм
Вес- 263 кг
249 500,00 Р
Вам может понравиться
Наличие уточняйте
Объем- 3000 л
Ширина- 1700 мм
Высота- 1800 мм
Назначение Для воды
Тип мешалки Турбинная
Плотность вещества 1.5 макс, г/см³
Ширина- 1700 мм
Высота- 1800 мм
Назначение Для воды
Тип мешалки Турбинная
Плотность вещества 1.5 макс, г/см³
129 800,00 Р
Наличие уточняйте
Длина- 1500 мм
Ширина- 1500 мм
Высота- 1345 мм
Вес- 60 кг
Ширина- 1500 мм
Высота- 1345 мм
Вес- 60 кг
132 800,00 Р
Наличие уточняйте
Объем- 5000 л
Длина- 2000 мм
Ширина- 2000 мм
Высота- 1881 мм
Вес- 136 кг
Длина- 2000 мм
Ширина- 2000 мм
Высота- 1881 мм
Вес- 136 кг
193 800,00 Р
Наличие уточняйте
Объем- 5000 л
Длина- 2000 мм
Ширина- 2000 мм
Высота- 1881 мм
Вес- 158 кг
Длина- 2000 мм
Ширина- 2000 мм
Высота- 1881 мм
Вес- 158 кг
213 000,00 Р
Наличие уточняйте
Длина- 2012 мм
Ширина- 2012 мм
Высота- 2650 мм
Вес- 263 кг
Ширина- 2012 мм
Высота- 2650 мм
Вес- 263 кг
249 500,00 Р




